МО1226-04.2
Доступен для скачивания
краткий каталог продукции:
Прибор для проверки и калибровки рабочих манометров, вакууметров, мановакуумметров, а также преобразователей, датчиков давления и разности давлений
Технические характеристики:
| Параметр | Значение |
| Диапазон измеряемого давления | 0...60 МПа |
| Класс точности
| 0,15
|
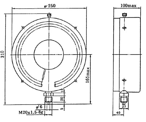
| Диаметр корпуса | 250 мм |
| Шкала прибора | 400 условных единиц |
| Цена деление | 1 условная единица |
| Стандартное климатическое исполнение | +5...+40°C |
| Относительная влажность окружающего воздуха (при 25°C) | 80% |
| Исполнение для тропического климата (маркировка) | О4.2 |
| Технические условия (ТУ) | 25-05-1664-74 |
| Штуцер | М20×1,5 |
| Габаритные размеры | 310×250×100 мм |
| Масса | ≤ 5,5 кг |
| Межпроверочный интервал | 12 месяцев |
| Габаритные размеры |
![]() |
