МО1227
Доступен для скачивания
краткий каталог продукции:
Прибор для проверки и калибровки рабочих манометров, вакууметров, мановакуумметров, а также преобразователей, датчиков давления и разности давлений
Технические характеристики:
| Параметр | Значение |
| Диапазон измеряемого давления | 0...0,1 МПа, 0...0,16 МПа, 0...0,25 МПа, 0...0,4 МПа, 0...0,6 МПа, 0...2,5 МПа |
| Класс точности
| 0,15
0,25 |
| Шкала прибора | 400 условных единиц |
| Цена деление | 1 условная единица |
| Стандартное климатическое исполнение | +5...+40°C |
| Относительная влажность окружающего воздуха (при 25°C) | 80% |
| Исполнение для тропического климата (маркировка) | О4.2 |
| Технические условия (ТУ) | 25-05-1664-74 |
| Штуцер | М20×1,5 |
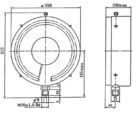
| Габаритные размеры | 310×250×100 мм |
| Вес | ≤ 5500 г |
| Межпроверочный интервал | 12 месяцев |
| Габаритные размеры |
![]() |
