БП-А
Доступен для скачивания
краткий каталог продукции:
Бобышка БП-А предназначена для установки термопреобразователей, термометров, манометров, защитных гильз, отборных устройств, датчиков уровня, запорных вентилей и других устройств по месту эксплуатации. Бобышка устанавливается на объекте с применением сварки.
При присоединении устройств с подвижным штуцером (термодатчиков, импульсных трубок и т.д.) используются бобышки с упором, для монтажа датчиков уровня и защитных гильз для термопреобразователей – бобышки без упора. Для устройств с неподвижным штуцером (манометры, датчики давления, биметаллические термометры, ряд термодатчиков) подходят бобышки как с упором, так и без упора.
Версия: 2025-09-17-СДГ
При присоединении устройств с подвижным штуцером (термодатчиков, импульсных трубок и т.д.) используются бобышки с упором, для монтажа датчиков уровня и защитных гильз для термопреобразователей – бобышки без упора. Для устройств с неподвижным штуцером (манометры, датчики давления, биметаллические термометры, ряд термодатчиков) подходят бобышки как с упором, так и без упора.
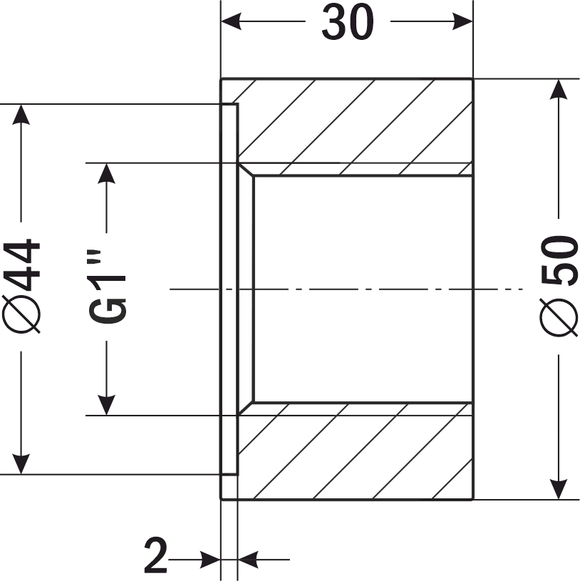
- Бобышка БП-А-G1-30 подходит для установки ARL-V101, ARL-V111, ARL-V501, ARL-V511, ARL-V701, РДУ, РДУ2-111, РДУ2-221, ДР-П-02, ДР-П-33, ДР-П-03, ДР-П-32, ДР-П-35
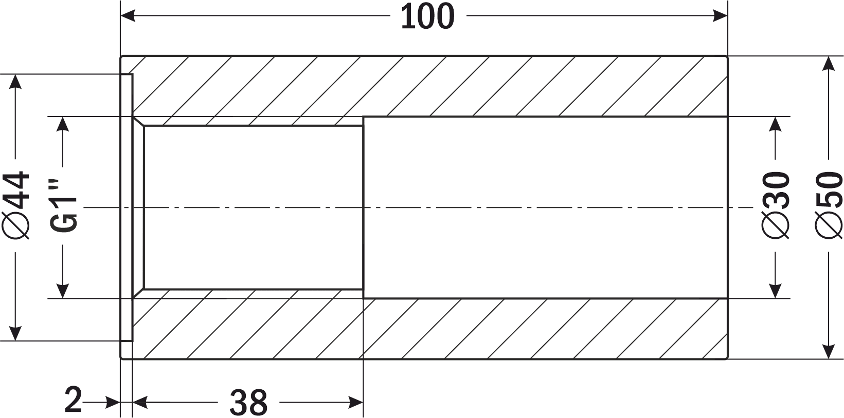
- Бобышка БП-А-G1-100 подходит для установки РДУ-121, РДУ-221, РДУ-321, РДУ2-221
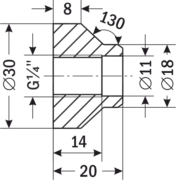
- Бобышка БП-А-G1/4-20 подходит для установки ДР-ПТ-32, ДР-ПТ-36, ДР-ПТ-36И
- Бобышка БП-А-G3/4-22 подходит для установки ARL-V103, ARL-V203, РДУ-М, ДР-П-02 , ДР-П-33, ДР-П-03 , ДР-П-32 , ДР-П-35
| Параметр | Значение |
| |||||||
| БП-А | БП-А-У | ||||||||
| Модель | БП-А-М20-28 | БП-А-М27-30 | БП-А-М20-55 | БП-А-G1/4-20
| БП-А-G1/2-55 | БП-А-G3/4-22 | БП-А-G1-30 | БП-А-G1-100
| БП-А-УМ20-55 |
| Тип | Прямая | Прямая с упором | |||||||
| Присоединение | М20×1,5 | М27×1,5 | М20×1,5 | G¼" | G½" | G¾" | G1" | G1" | М20×1,5 |
| Высота | 28 мм | 30 мм | 55 мм
| 20 мм | 55 мм | 22 мм | 30 мм | 100 мм | 55 мм |
| Материал | Сталь |
| |||||||
| Габаритные размеры
|
БП-А-М20-28 |
БП-А-М27-30 |
БП-А-М20-55 |
БП-А-G1/4-20 |
БП-А-G1/2-55 |
БП-А-G3/4-22 |
БП-А-G1-30 |
БП-А-G1-100 |
БП-А-УМ20-55 |
Версия: 2025-09-17-СДГ